
群策立式三相普通馬達特性:電機是內軸式,可與相對應的泵直接相配,無需連軸器,從而減小安裝空間,裝配方便。電機的配合面加工精度高,和泵相配同軸相配,無需專業人士安裝,連轉平穩,噪音低、發熱量小。選購指南:CT-011HP4P3JV系列編號功率代號參照功率表極數4P:4極(1450r/min)6P:6極(960r/min)相數3:三相1:單相安裝形式J:臥式X:立式外殼形式V:鑄鐵W:鐵皮功率表:功率代號(馬力)1/4HP1/2HP1HP2HP3HP5HP71/2HP10HP15HP20HP25HP30HP40HP功率值(KW)0.1840.3680.7351.4702.2053.0755.5137.35011.02514.718.37522.05029.40 。 臺灣群策 1HP 供應立式油壓專用馬達、油壓電機。
臺灣群策馬達我公司專業代理臺灣群策品牌系列的油壓馬達,其產品質量更居市場領先地位:
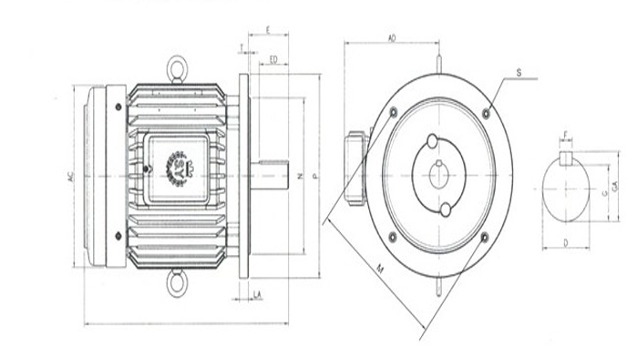
1:油壓馬達有內軸形式,可與葉片泵,齒輪泵,潤滑泵等直接相配,緊密配合,無須聯軸器。易裝配,節省空間和成本 。
2:馬達與泵的配合面加工精度高,與泵同軸相配,無須專業人士安裝,運轉平穩,噪音低,維修方便。
3:可保證系統:省電、小型化、低成本。4馬力:1/4-20HP 4-6P5油壓直結式馬達 分臥式 立式 標準出軸式馬達 分臥式 ,立式.臥式馬達可參考:群策臥式三相普通電機。
品質穩定經久耐用,電機滿載設計均高於標準值,軸心鋼材經熱處理高壓耐磨壽命長。
群策立式三相普通馬達圖紙及參數:

