
產品說明:左右搖擺、上下夾取系統緊密及高精度、高速度之夾取輸送、為您自動化系統提供了多變化流程功能。FN系列為出力軸上下往復運動兼間歇旋轉或左右搖擺運動之合成機種。FNL系列為出力軸凸緣分割盤面作間歇旋軸或左右搖擺運動。中空出力軸作上下往復運動與分割盤面各自分離作動。中心空可配合空油壓管路或電控線路。
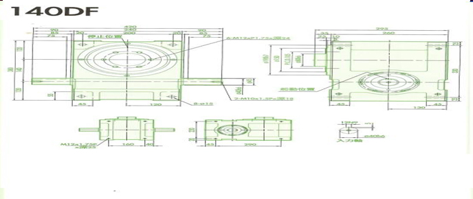
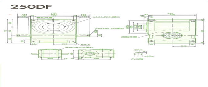
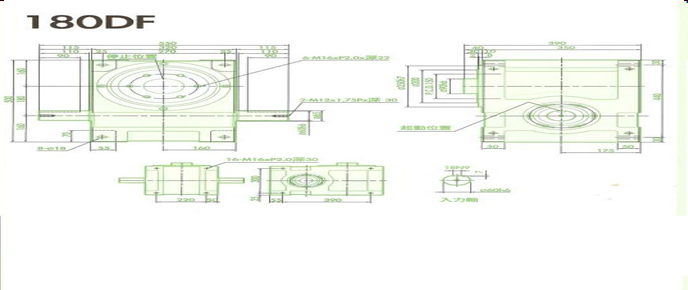
此系列機種之尺寸設計特性與凸緣型弁酮萓A於驅動運轉上可承受超大軸向負載及垂直徑向壓力,在輸出端有一凸起固定盤面及大孔徑空心軸,可搭配設置動態、靜態自動化周邊設備,可將動力源之電、油、氣管路置於空心孔內,此系列機種廣泛應用於重負載、直結自動化設備之各類機構及產業機械,作同步自動化間歇驅動。技術參數項目符號單位數值出力軸容陵|向負荷C1kgf520出力軸容雀b向負荷C2kgf220出力軸容酗O矩Tskgf-m參考力矩表入力軸容陵|向負荷C3kgf220入力軸最大彎曲力矩C4kgf160入力軸最大扭矩C5kgf-m 9.5入力軸的GD2(注1)C6kgf-m20.03定位分割精度sec.30重量kg20注1:入力軸的GD2是在停留範圍內的數值。注2:C1至C5數值是達到安全系數=2時的數值。






