
硬齒面減速機JRTK系列為斜齒輪-傘齒輪減速機,有底腳安裝斜齒輪,底腳空心軸安裝斜齒輪,底腳空心軸鎖緊盤安裝斜齒輪,B5法蘭安裝斜齒輪等型號。硬齒面減速機也叫硬齒面減速器或硬齒面減速箱。
硬齒面減速機JRTK系列有以下幾種設計方案:
JRTKA..BD:底腳安裝斜齒輪--傘齒輪減速電機
JRTKV..B D..:底腳花鍵空心軸(DIN5480)安裝斜齒輪--傘齒
JRTHK..B D..:底腳空心軸鎖緊盤安裝斜齒輪--傘齒輪減速電機
JRTKF..B5 法蘭安裝斜齒輪--傘齒輪減速電機
JRTKAF..D:B5法蘭空心軸安裝斜齒輪--傘齒輪減速電機
JRTKVF..D:B5法蘭花鍵空心軸(DIN5480)安裝斜齒輪--傘齒輪減速電機
JRTKHF..D..:B5法蘭空心軸鎖緊盤安裝斜齒輪--傘齒輪減速電機
JRTKA..D..:空心軸安裝斜齒輪--傘齒輪減速電機
JRTKV..D..:花鍵空心軸(DIN5480)安裝斜齒輪--傘齒輪減速電機
JRTKH..D:空心軸鎖緊盤安裝斜齒輪--傘齒輪減速電機
JRTKAZ..D..:B14法蘭空心軸安裝斜齒輪-傘齒輪減速電機
JRTKVZ..D..:B14法蘭花鍵空心軸(DIN5480)安裝斜齒輪--傘齒輪減速電機
JRTKHZ..D..:B14法蘭空心軸鎖緊盤安裝斜齒輪--傘齒輪減速電機。
硬齒面減速機JRTK系列使用說明:
1.1安裝注意事項
11.1 減速機須安裝在平整堅固的底座上,底腳螺栓必須緊固、防震。
1.2使用注意事項
杰牌傳動,產品遵循模塊化、最優化設計理念,致力于打造中國一流的“精密傳動”、“驅動模塊”制造基地。 公司全套引進德國技術,擁有世界一流的加工檢測生產線,產品出口歐美,替代進口,廣泛服務于各大工業領域,專為中高端用戶提供高可靠性的傳動設備和服務!
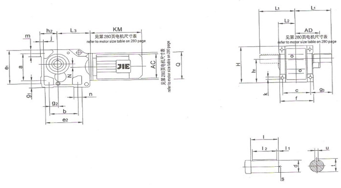
硬齒面減速機JRTK系列詳細圖紙:


