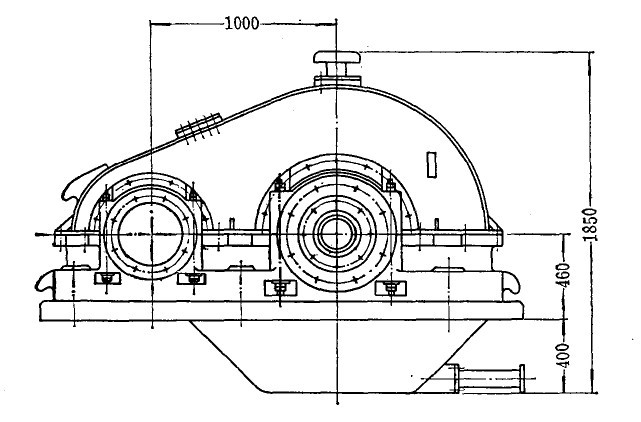
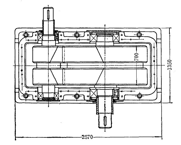
減速機是由齒輪、軸、軸承、箱體、箱蓋等主要零件組成。用于軋鋼機傳動裝置的主減速機,其結構型式多采用一級(圖5—45)和二級(圖5—46)兩種圓柱齒輪減速機。軋鋼機使用的減速機齒輪多做成人字齒的,因為這種齒輪工作比較平穩,而且對軸承不產生軸向力。在二級減速機中,為適應載荷的變化一般都采用分流式(圖5—46),其高速級是兩對對稱的斜齒輪嚙合,低速級多做成人字齒的,這樣低速級齒輪與軸承對稱布置,載荷沿齒寬分布均勻,軸承平均受載。中間軸危險斷面上的扭矩相當于軸所傳遞規矩之半。
齒輪的結構,取決于齒輪節圓直徑D與軸的直徑d之比,其關系大致如下:
D<2d寸,齒輪與軸做成一體的齒輪軸;
D=(1.8—3)d時,齒輪做成原齒圈直接套在軸上;
D>3d時,齒輪做成帶腹板的整體齒輪或組合齒輪。




為節約合金鋼,大齒輪可做成組合式,其輪心用鑄鐵或鑄鋼制成,合金鋼齒輪熱熱經在輪心上。
齒圈的熱裝溫度約為200—300℃,與此相應的公盈量每1000毫米約為1.2毫米,裝配時應根據設計要求,按熱裝溫度詳細檢驗公盈量。除熱配合外,還需用螺釘將齒圈固定。齒的螺旋方向應是在齒受力時能使齒圈緊貼在輪心的凸肩上。齒困的厚度(包括齒全高)必須大于齒全高的三倍。對于寬度小的齒輪用一個齒圈,寬度大的齒輪用兩個齒圈。齒圈不能采用表面淬火。
大齒圈的鍛坯需要用水壓機鍛造,有些制造廠受到設備條件的限制,所以設計時可根據實際情況也常采用整體鑄鋼的大齒輪。D>l000毫米的整鑄齒輪或組合齒輪的鑄造輪心,為了減小鑄造應力,通常在輪轂上鑄有切口,加工前澆入巴氏合金招切口填滿,在裝配時,輪教兩邊以熱裝的環將其箍緊。同樣,組合齒輪的鑄造輪心也可在輪線上鑄出切口,以減少鑄造應力。
為了齒輪安裝在軸上位置更正確,通常采用壓合座(D/ie或D/if>并加平鍵聯接。齒輪軸應有足夠的剛度,這是保證工作平穩的重要條件,建議齒輪軸的允許撓度[y]<0.005模數。
在各種減速機中,只有低速軸采用軸向固定,其他軸則應留有少許軸向游隙,使它們可以自由串動,以免卡住齒輪。所謂低速軸在軸向固定是相對的,實際也應有很小的軸向串動量,以防止軸承襯端面燒毀和便于吊裝齒輪軸。軸向游隙為0.8~1迭米。在圓弧齒輪大型減速機上,為了防止吊裝低速軸時擦傷軸承襯端面和當軸承襯消面磨損后可沿軸向進行調整,設有一組精確磨制的調整墊片加在下軸瓦處,這樣可以比較方便地將軸承襯端面與低速軸軸肩之間的游隙調整為規定的0.8—1毫米。上軸瓦處也加調整墊片,但比上述間隙要大一些。
高速軸、中速軸及低速軸均應留中心孔,以備修復齒輪和袖之川。在中速軸、低速軸端面處應能安設吊裝螺拴,以便需要熱裝齒輪吊裝時用。
在不可逆式軋機中,主減速機齒輪是單面工作的,若齒廓一面破壞,整個齒輪就要報廢,不能完全發揮輪齒的效用。因此這類減速機的齒輪應考慮盡可能采取高、低速軸兩端出軸,以便調頭使用,延長使用年限。
減速機軸承的結構,有巴氏合金軸承襯的滑動軸承和波動軸承兩種?;瑒虞S承雖然有沖擊負荷,所以目前在大型減速機上多數還是采用此類軸承。而在一些中心距小于1000毫米的減速機上,如用于線材軋機主傳動的減速機,常采用滾動軸承。隨著軋制速度的提高,今后的趨勢將更多地采用滾動軸承。
大型減速機的箱體,一般采用鑄鐵或鑄鋼的剛性框架,也可用全部鋼板焊接的結構,箱蓋和箱體底部的油箱通常均為鋼板焊接的。用鑄鐵箱體是合理的,許多大型減速機經過長期使用,證明用鑄鐵箱體是無問題的。有些箱體采用鑄鋼,主要是考慮可以焊接,因為油箱是用螺拴固定在箱體底部,這種結構在使用過程令易發生聯接螺栓振松,致使油箱與箱體接縫處漏油嚴重,如箱體是鑄鈉或鋼板焊接的,就可符油箱直接焊在箱體底部以防止漏油。如箱體是鑄鐵制造的,油箱便不能與其焊接,實際上如采取一些措施,還是可以保證箱體與油箱接縫處的嚴密性。
減速機筋蓋與箱體之間通常均用螺栓聯接。但某薄板軋機的主減速機,箱蓋與箱體不采俐任何形式的闖定聯接(這種結構的箱蓋與軸承羌是分離的,而軸承蓋則用螺拴固定在箱體上),只靠箱蓋本身重量自由放置在箱體上,放下箱蓋前在箱體上面沿四周鋪上石棉繩,箱蓋壓緊石棉繩后可防止漏油。箱蓋上設有足夠大尺寸的勛環,使起正機吊構能自如地進出吊環,吊環要焊在箱蓋的垂直重心線上。這種結合方式穩妥可靠,維修方便。
減速機的每個軸承都有單獨的軸承蓋,通過軸承蓋上的法蘭盤,用螺拴將其固定在減速機的焊接箱蓋上。在軸承蓋上設有安裝溫度計或熱電偶的孔,以便控制軸承溫度。為了放散減速機內的熱量和氣體并減小箱內壓力,在箱蓋頂部設有足夠大直徑和高度并帶有幾層反射板的透氣罩,對于中心距為3000毫米的二級減速機,透氣罩內徑應大干250毫米。為了觀察輪齒的嚙合和潤滑情況,在減速機箱蓋上沒有窺視孔。
單向旋轉的二級主減速機的安裝方向,應使中間軸受力向下,這樣可防止中軸向上跳動,以提高傳動的平穩性。至于這種布置可能使高速軸出軸端容易產生漏油,可改進密封結構加以解決。